Warning: Cannot modify header information - headers already sent by (output started at /www/wwwroot/Ecshophonc17com/includes/init.php:182) in /www/wwwroot/Ecshophonc17com/includes/cls_session.php on line 116
高精度放大倍率测量仪 【价格 用途 厂家 介绍 图片】_上海弘测仪器科技有限公司
  • 您好,欢迎来到弘测仪器!
  • 微信扫描二维码,随时随地与弘测亲密接触
    精彩活动,劲爆优惠触手可得!

    腾讯微博 新浪微博
正品行货弘测推荐
当前位置: 首页 > 光学测量仪器 > 光学测量仪 > 高精度放大倍率测量仪
角度测量仪器
光电自准直仪 光学自准直仪 准直仪附件 准直仪软件 正多面棱体 多齿分度台 精密测角仪 比较测角仪 气浮转台 气浮平台 经纬仪水准仪检定装置 激光干涉仪
光学测量仪器
透射式平行光管 反射式平行光管 光具座 光具座附件 前置镜 光学测量仪 视度管 光学象限仪 倍率计 光学分划板 视场仪 远心镜头 反射镜 光学平晶 投影仪 光学平台 光学计 影像测量仪
高精度转台
单轴转台 双轴转台 三轴转台 跟踪转台 惯性平台 其他转台 惯性导航测试单元IMU
硬度测量仪器
显微硬度计 洛氏硬度计 布氏硬度计 维氏硬度计 布洛维硬度计 里氏硬度计 邵氏硬度计 巴氏硬度计 韦氏硬度计 超声波硬度计 肖氏硬度计 摩氏硬度计 水果硬度计 进口硬度计 石膏硬度计 铅笔硬度计 木材硬度计 硬度标准机 硬度计附件
金相制样仪器
金相试样切割机 金相试样磨抛机 金相试样镶嵌机 金相试样预磨机 金相试样抛光机 电解抛光腐蚀仪 光谱砂带磨样机 金相磨平机 标准试样 金相耗材/辅料 古莎Kulzer 端子分析仪
光学显微镜
金相显微镜 体视显微镜 生物显微镜 偏光显微镜 荧光显微镜 数码显微镜 熔深显微镜 比较显微镜 测量显微镜 干涉显微镜 光切显微镜 工具显微镜 读数显微镜 显微镜附件
工业测量仪器
轮廓仪 粗糙度仪 轮廓粗糙度 圆度仪 圆柱度仪 齿轮量仪 三坐标 柔性关节臂 测长机 测高仪 轴承量仪
材料试验机
电子万能试验机 液压万能试验机 拉力试验机 压力试验机 冲击试验机 扭转试验机 弯曲试验机 杯突试验机 弹簧试验机 疲劳试验机 端淬试验机 摩擦磨损试验机 钢绞线专用试验机 非金属材料试验机 标距仪/打点机 进口试验机 试验机夹具 推拉力计
无损检测仪器
探伤仪 测厚仪 测温仪 热成像仪 测振仪
俄罗斯Mashproject LLC
便携硬度计 磁粉探伤仪 涡流探伤仪 裂缝深度计 磁性分析仪 测厚仪 铁素体仪 设备证书
德国BAQ
超声波硬度计 洛氏硬度计 维氏硬度计 布氏硬度计 里氏硬度计 邵氏硬度计 涂层测厚仪 耐磨测试仪 粗糙度仪

浏览历史

高精度放大倍率测量仪
prev zoom next
高精度放大倍率测量仪
  • 商品货号:HCECS001284
  • 商品点击数:1214
  • 用户评价: comment rank 5
  • 咨询热线:021-20969529


商品描述:

商品属性

高精度放大倍率测量仪

202212141671016910228815.jpg


 产品简介   Product introduction


高精度放大倍率测量仪,主要用于检测各种望远系统的视放大率,亦可检测双筒望远镜亮镜筒的放大倍率一致性。


 技术指标   Technical indicators


相机主要技术指标

型     号

UH600

接      口

USB3.0

分辨率

3072*2048

像元尺寸

2.4μm*2.4μm

靶板尺寸

1/1.8

数据位数

12bit

曝光方式

逐行曝光

输出帧率

30FPS

输出颜色

彩色





放大倍率测试仪-20.png放大倍率测试仪-30.png

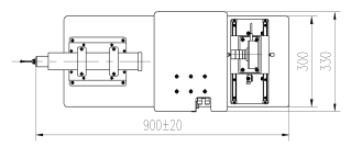
产品外形尺寸图



弘测官方微信  

劲爆优惠,触手可得!

官方客服中心
  400-9696-970
  13661910343
  021-20969529
  honc@honc17.com
  
关于我们 | 资讯动态 | 合作伙伴加盟 | 技术服务 | 资料下载 | 人力资源 | 帮助中心 | 联系我们